收發共體防水型超音波換能器
400EP18D
Specification
|
Acoustic Performance
|
Dimensions |
Download
|
Back
|
Home
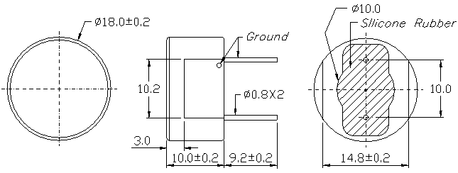
Dimensions:
Specification
|
Acoustic Performance
|
Dimensions |
Download
|
Back
|
Home
Copyright (c) 2005 Pro-Wave Electronic Corp. All rights reserved.